Home
Contact
Session Timeout:
60:00
Products
Products
Dashboard v1
Edit Products
Select Product Division
Select one
Import
Export
Domestic
Select Master-Category
Demoulding Elements - Indirect (Import)
Anti Vibration Pads and Leveling Elements (Domestic)
Clamping Elements (Export)
Gas Springs (Export)
Work Holding Solutions (Domestic)
Punches and Die Buttons (Export)
Die Springs (Export)
Select Sub-Category
Gas Spring Mounting (Export)
Power Max Series (Export)
Latch Locks (Import)
Clamping pins, coupling pin (Import)
Cylindrical pins, screws, ball detents (Import)
counters (Import)
Date insert, embossing stamps (Import)
Quick-action clamping systems (Import)
Precision Levelling Mounts (Domestic)
Die Springs - Ultra Heavy (Export)
Die Spring - Round Wire (Export)
Mould Latch (Export)
Punches & Die Buttons (Export)
Stripper Guide Pin Bush (Export)
Spring Plunger (Export)
N-Force Compact Gas Spring NFS-S1 (Export)
Wear Plate (Export)
Pillar Bush (Export)
Guide Posts (Export)
Die Springs - Equivalent to JIS b 5012 (Export)
Limit Switches (Import)
Die Springs - Equivalent to ISO 10243 (Export)
Select brands
Bilz
AMT
Pawan
Product Name
Product Code
Product Describtion
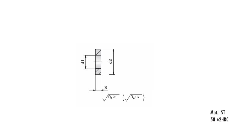
Material = : ST 58 ±2HRC
Ordering Example =Â
 SN1512-d2
Product Image
1669358463-sn050027.jpg
Sketch
1669358463-sn05002701.jpg
Product Catalogue
1669358463-sn050025w (1).pdf
User manual
1669358463-sn050025w (1).pdf