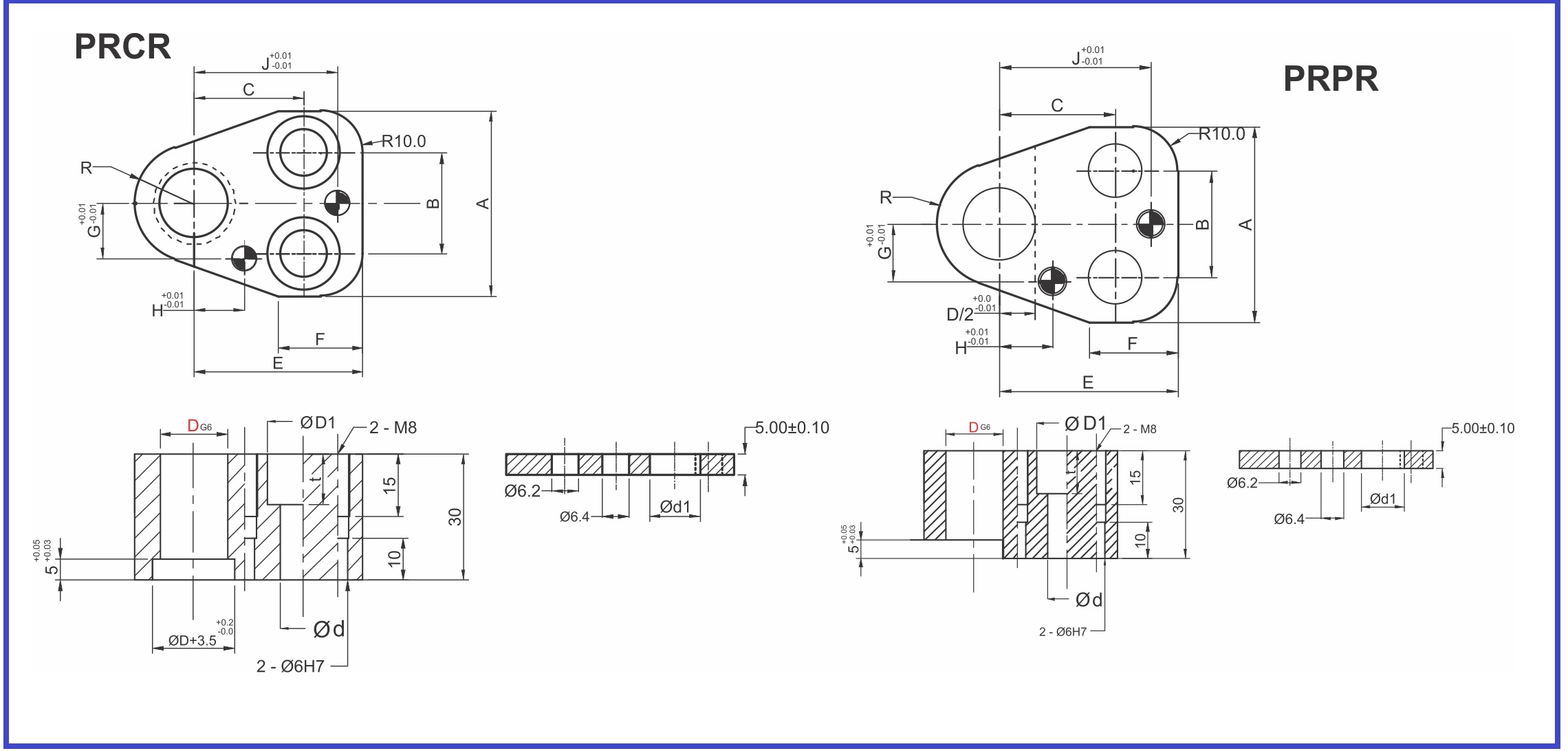
Punch Retainer Material :- En-8, Back Up Plate Material :- -WPS
Back Up Plate Hardness :- 56 TO 60 HrcDia (D) Range :- 10 mm to 25 mm
Order Type :- Code x DExample :- PRCR X 20Availability :- 7 Days(*Note - This is tentative schedule, may vary as per material availability)